Wymiana prądnicy na alternator w Ursusie C-330 kluczowe informacje dla każdego rolnika
- Najpopularniejsze alternatory do adaptacji pochodzą z Fiata 126p, Poloneza, Cinquecento/Seicento lub VW Golfa.
- Dla Ursusa C-330 optymalna moc alternatora to 44-55A, co zapewnia znacznie wydajniejsze ładowanie niż oryginalna prądnica (ok. 12A).
- Konieczne modyfikacje obejmują zastosowanie specjalnego mocowania, dopasowanie koła pasowego oraz uproszczenie instalacji elektrycznej przez demontaż zewnętrznego regulatora napięcia.
- Na rynku dostępne są gotowe zestawy montażowe, które ułatwiają konwersję, zawierając alternator, mocowanie i potrzebne elementy.
- Główną zaletą wymiany jest efektywne ładowanie akumulatora już na niskich obrotach silnika oraz możliwość bezproblemowego korzystania z dodatkowego osprzętu elektrycznego.
Dlaczego alternator w Ursusie C-330 to inwestycja, która się opłaca?
Jako doświadczony mechanik, widziałem wiele Ursusów C-330, które borykały się z tym samym problemem: słabym ładowaniem akumulatora, szczególnie na niskich obrotach silnika. Oryginalna prądnica P20c, generująca zaledwie około 12A, po prostu nie nadążała za zapotrzebowaniem, co prowadziło do frustrujących problemów z rozruchem i ciągłego doładowywania akumulatora. Wymiana na alternator to definitywne rozwiązanie tego problemu. Alternator to zupełnie inna liga pod względem wydajności. Modele o mocy 44-55A, które najczęściej adaptujemy, zapewniają stabilne i znacznie mocniejsze ładowanie już od najniższych obrotów silnika. Dzięki temu możesz bez obaw podłączyć dodatkowe oświetlenie LED, radio czy inne urządzenia elektryczne, nie martwiąc się o rozładowanie akumulatora. To ogromny komfort, zwłaszcza podczas długich godzin pracy w polu. Podsumowując, modernizacja układu ładowania w C-330 to inwestycja, która zwraca się błyskawicznie. Zyskujesz niezawodność, spokój ducha i możliwość korzystania z nowoczesnego osprzętu, co znacząco poprawia komfort i efektywność pracy ciągnikiem. To po prostu mądra decyzja dla każdego rolnika.
Jaki alternator wybrać do C-330? Przegląd najlepszych opcji
Wybór odpowiedniego alternatora do Ursusa C-330 to kluczowy krok w procesie modernizacji. Na rynku znajdziesz zarówno gotowe zestawy, jak i alternatory z innych pojazdów, które z powodzeniem można zaadaptować. Przyjrzyjmy się najpopularniejszym i najbardziej efektywnym opcjom, które sam często polecam.Gotowe zestawy do montażu: wygoda i pewność dopasowania
Jeśli cenisz sobie wygodę i chcesz mieć pewność, że wszystko będzie do siebie pasować, gotowe zestawy do konwersji są doskonałym wyborem. Zazwyczaj zawierają one regenerowany alternator (często 6-diodowy o mocy około 45A), dedykowane mocowanie (tzw. "łapę"), komplet śrub, a niekiedy nawet regulator napięcia i dopasowane koło pasowe. To rozwiązanie "plug and play", które minimalizuje ryzyko błędów i znacznie przyspiesza montaż.Adaptacja alternatora z samochodu: rozwiązanie dla oszczędnych
Alternatywą dla gotowych zestawów jest adaptacja alternatora z popularnych samochodów. To opcja często wybierana przez tych, którzy lubią majsterkować i szukają bardziej ekonomicznych rozwiązań. Wiele modeli alternatorów z lat 80. i 90. doskonale nadaje się do tego celu.Król popularności: Alternator z Fiata 126p ("Malucha") wady i zalety
Alternator z Fiata 126p, potocznie nazywany "maluchowskim", to najczęściej wybierana opcja do adaptacji w C-330. Zazwyczaj jest to model o mocy 34A. Jego popularność wynika z łatwej dostępności i niskiej ceny. Choć 34A to mniej niż w przypadku innych alternatorów, to i tak znacznie więcej niż oryginalne 12A prądnicy, co dla wielu jest wystarczające.-
Zalety:
- Bardzo łatwa dostępność części zamiennych.
- Niska cena zakupu, zarówno nowego, jak i używanego.
- Wystarczająca moc do podstawowych potrzeb C-330.
-
Wady:
- Niższa moc w porównaniu do alternatorów z Poloneza czy VW Golfa.
- Może wymagać delikatnych modyfikacji mocowania.
Złoty środek: Alternator od Poloneza lub Cinquecento który model wybrać?
Jeśli szukasz czegoś mocniejszego niż "maluchowski", ale wciąż w rozsądnej cenie, alternatory z Poloneza (modele 44A lub 55A) lub Fiatów Cinquecento/Seicento to prawdziwy złoty środek. Ich moc jest w pełni wystarczająca dla C-330, zapewniając solidny zapas prądu nawet przy intensywnym użytkowaniu dodatkowego osprzętu. Są to zazwyczaj alternatory Elmot A124 lub ich odpowiedniki, które są sprawdzone i niezawodne.A może z zagranicznego dawcy? Co pasuje z VW Golfa?
Wśród zagranicznych "dawców" warto wspomnieć o alternatorach z VW Golfa II/III. Są to również sprawdzone jednostki, często o mocy 55-65A, które z powodzeniem można zaadaptować do Ursusa C-330. Ich konstrukcja jest solidna, a dostępność na rynku wtórnym wciąż dobra. Wymagają podobnych modyfikacji mocowania i koła pasowego jak inne alternatory.Kluczowe parametry, na które musisz zwrócić uwagę przed zakupem
Wybór odpowiedniego alternatora to dopiero początek. Aby cała operacja wymiany przebiegła pomyślnie i bez niepotrzebnych problemów, musisz zwrócić uwagę na kilka kluczowych parametrów. Moje doświadczenie pokazuje, że pominięcie tych detali może prowadzić do frustracji i dodatkowych kosztów.Moc alternatora w amperach (A): ile naprawdę potrzebuje Twój C-330?
Moc alternatora, wyrażona w amperach (A), to jeden z najważniejszych parametrów. Jak już wspomniałem, oryginalna prądnica P20c oferowała zaledwie około 12A. Dla Ursusa C-330, który nie ma rozbudowanej elektroniki, alternator o mocy 44-55A jest w zupełności wystarczający. Taka moc zapewnia znaczną poprawę ładowania, umożliwiając bezproblemowe zasilanie podstawowych odbiorników, takich jak światła, rozrusznik, a także dodatkowe oświetlenie robocze czy radio. Nie ma sensu inwestować w znacznie mocniejsze alternatory (np. 90A czy 120A), ponieważ nie wykorzystasz ich pełnego potencjału, a mogą być droższe i trudniejsze w adaptacji.Rodzaj mocowania: jak uniknąć kosztownych przeróbek?
Oryginalne mocowanie prądnicy w C-330 nie pasuje do większości alternatorów. To bardzo ważna kwestia. Będziesz potrzebował specjalnego wspornika, potocznie nazywanego "łapą". Możesz go kupić jako gotowy element w sklepie rolniczym lub na portalach aukcyjnych są dedykowane do C-330 i pasują do najpopularniejszych alternatorów. Jeśli masz zdolności manualne i odpowiednie narzędzia, możesz również dorobić takie mocowanie samodzielnie. Pamiętaj, że odpowiednie, stabilne mocowanie jest kluczowe dla trwałości alternatora i prawidłowej pracy paska klinowego.Koło pasowe: sekret idealnego dopasowania do paska klinowego
Kwestia koła pasowego jest często niedoceniana, a ma ogromne znaczenie. Musisz pamiętać, że pasek klinowy w C-330 ma określoną szerokość (zazwyczaj 12,5-13 mm). Najczęściej spotykane rozwiązania to:- Przełożenie koła pasowego z prądnicy na alternator: To najprostsza opcja, jeśli średnica otworu w kole pasowym prądnicy pasuje na oś alternatora. Wymaga to zdjęcia koła z prądnicy i zamontowania go na alternatorze.
- Zastosowanie nowego koła pasowego: Jeśli koło z prądnicy nie pasuje, będziesz musiał kupić nowe, które będzie miało odpowiednią średnicę otworu na oś alternatora i właściwy profil rowka dla paska klinowego C-330.
Montaż alternatora krok po kroku praktyczny poradnik
Przejdźmy teraz do sedna, czyli do praktycznego montażu. Nie ma co się obawiać, to zadanie, z którym poradzi sobie każdy, kto ma podstawowe umiejętności mechaniczne i dostęp do narzędzi. Pamiętaj, aby zawsze pracować ostrożnie i z odłączonym akumulatorem.-
Demontaż starej prądnicy i zewnętrznego regulatora napięcia
Pierwszym krokiem jest odłączenie akumulatora (zawsze najpierw minus!). Następnie odkręcasz śruby mocujące starą prądnicę, zdejmujesz pasek klinowy i odłączasz wszystkie przewody elektryczne. W tym momencie możesz również zdemontować zewnętrzny regulator napięcia (np. RG15c), który znajdował się na ściance kabiny lub pod maską. Alternator ma wbudowany regulator, więc stary jest już zbędny. -
Przygotowanie i montaż nowego mocowania ("łapy")
Teraz czas na montaż nowego wspornika, czyli "łapy" alternatora. Upewnij się, że jest on solidnie przykręcony do bloku silnika w miejscu, gdzie wcześniej znajdowała się prądnica. Sprawdź, czy mocowanie jest stabilne i czy alternator będzie mógł być swobodnie regulowany, aby napiąć pasek. -
Przekładka lub wymiana koła pasowego: jak to zrobić dobrze?
Jeśli zdecydowałeś się na przełożenie koła z prądnicy, zdemontuj je ostrożnie. Następnie zamontuj je na osi alternatora, upewniając się, że jest dobrze osadzone i dokręcone. Jeśli używasz nowego koła, po prostu zamontuj je na alternatorze. Kluczowe jest sprawdzenie osiowości! Możesz to zrobić, przykładając prostą listewkę do kół pasowych powinny być w jednej linii. W razie potrzeby delikatnie koryguj położenie mocowania alternatora. -
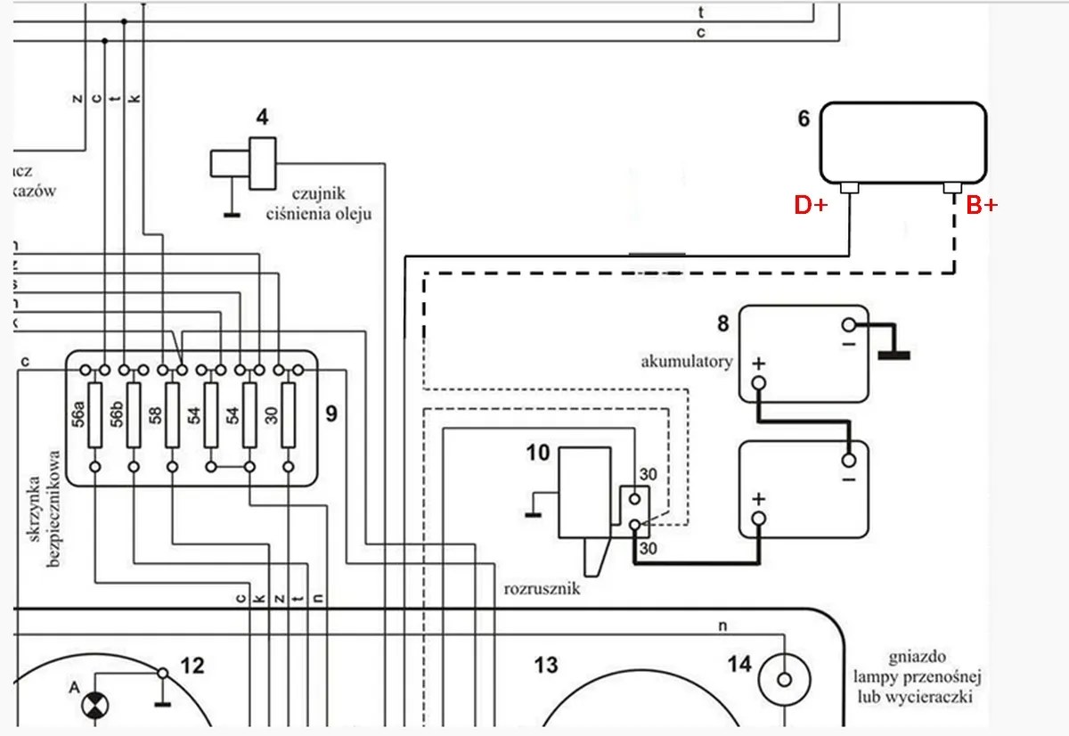
Podłączenie elektryki: prosty schemat, z którym sobie poradzisz
Instalacja elektryczna alternatora jest znacznie prostsza niż prądnicy.- Gruby przewód (B+): Ten przewód, często oznaczony jako B+ lub "plus", podłączasz bezpośrednio do grubego przewodu idącego do rozrusznika (na zacisk, do którego podłączony jest również plus akumulatora). To nim płynie prąd ładowania.
- Cienki przewód (D+): Ten przewód, oznaczony jako D+ lub "wzbudzenie", podłączasz do kontrolki ładowania na desce rozdzielczej. To on odpowiada za wzbudzenie alternatora i informuje o stanie ładowania.
-
Montaż i prawidłowe napięcie paska klinowego
Zamontuj alternator na nowym mocowaniu, ale nie dokręcaj go jeszcze na stałe. Załóż pasek klinowy na koła pasowe. Teraz musisz prawidłowo napiąć pasek. Użyj dźwigni, aby odciągnąć alternator i napiąć pasek. Prawidłowo napięty pasek powinien uginać się o około 10-15 mm pod naciskiem kciuka w połowie jego długości. Gdy pasek jest odpowiednio napięty, dokręć wszystkie śruby mocujące alternator.
Najczęstsze pułapki i błędy przy wymianie jak ich uniknąć?
Nawet przy najlepszych chęciach, podczas wymiany alternatora można natknąć się na pewne problemy. Z mojego doświadczenia wynika, że większość z nich da się przewidzieć i uniknąć. Poniżej przedstawiam najczęstsze pułapki i podpowiadam, jak sobie z nimi radzić.-
"Coś tu nie pasuje": problemy z osiowością kół pasowych
To jeden z najczęstszych problemów. Jeśli koło pasowe alternatora nie jest idealnie w jednej linii z kołem na wale korbowym, pasek klinowy będzie się szybko zużywał, piszczał, a nawet spadał. Aby tego uniknąć, po zamontowaniu alternatora i koła pasowego, przyłóż długą, prostą listewkę lub liniał do czoła obu kół. Powinny dotykać listewki w dwóch punktach. Jeśli tak nie jest, musisz skorygować położenie alternatora na mocowaniu, dodając podkładki dystansowe lub delikatnie modyfikując "łapę". -
Brak ładowania po montażu: gdzie szukać przyczyny?
Po uruchomieniu silnika kontrolka ładowania nie gaśnie lub w ogóle nie ma ładowania? Spokojnie, to często drobnostki. Najpierw sprawdź:- Podłączenie przewodu D+: Czy jest prawidłowo podłączony do kontrolki ładowania? Czy kontrolka świeci po włączeniu zapłonu (przed uruchomieniem silnika)? Bez tego alternator się nie wzbudzi.
- Gruby przewód B+: Czy jest solidnie dokręcony do alternatora i do rozrusznika/akumulatora? Luźne połączenie to brak ładowania.
- Napięcie paska klinowego: Czy pasek jest odpowiednio napięty? Zbyt luźny pasek będzie się ślizgał, a alternator nie będzie ładował.
- Sprawność alternatora: Jeśli wszystko inne jest w porządku, możliwe, że sam alternator jest uszkodzony (np. uszkodzony regulator napięcia lub diody). Warto go sprawdzić u elektryka lub na stole probierczym.
-
Przeczytaj również: Vectra B: Alternator padł? Wymontuj go sam krok po kroku!
Jak prawidłowo podłączyć kontrolkę ładowania, by nie świeciła cały czas?
Kontrolka ładowania powinna świecić się po włączeniu zapłonu (przed uruchomieniem silnika) i zgasnąć natychmiast po uruchomieniu silnika. Jeśli świeci się cały czas, oznacza to brak ładowania. Jeśli w ogóle się nie świeci, może być spalona żarówka, brak połączenia z przewodem D+ lub uszkodzony alternator. Upewnij się, że przewód D+ jest podłączony do odpowiedniego zacisku alternatora i do kontrolki, która z kolei ma zasilanie po zapłonie.
